Bizi Takip Edin

444 20 95 Whatsapp
444 20 95 Whatsapp

Automatic Door Systems

Asansör kablo çözümleri.

Fotoğraflar

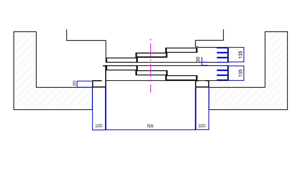
Full Automatic 3-Panel Telescopic Landing Door

Full Automatic 3-Panel Telescopic Landing Door

High comfort with new mechanical design.

Compatible with brushed and brushless motor systems.

Reopens in case of jamming.

Compatible with heavy-duty doors.

Low energy consumption.

High tolerance operation in mains voltage variations.

Lock position adjustment.

Spring stiffness adjustment.

3-axis adjustment in panels.

CE certified lock system.

Framed CAM panel options for modern designs.

Product design prioritizing human health and safety.

Available in all colors and patterns upon request.

Teknik Datalar

Kapı Tipi

Kapı Genişliği

Min.

Kapı Genişliği

Max.

Net Giriş Yüksekliği

Min.

Net Giriş Yüksekliği

Max.

Sızdırmazlık Sınıfı

Renkler ve Desenler

Door Type

Door Width

Min.

(NA)

Door Width

Max.

(NA)

Net Input Height

Min.

Net Input Height

Max.

Sealing Class

Colors and Patterns

E

EI

EW

T.P.

600

1300

2000

2300

60

-

60

Ral / Paslanmaz

Rall / Stainless